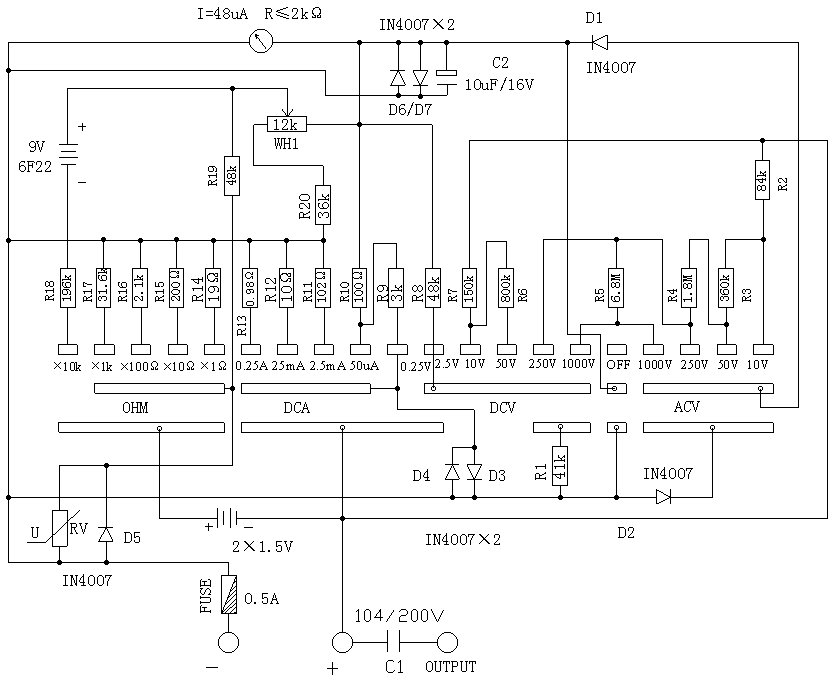
> products > Assembly kits Serise > TY-360 assembly kits > principle drawing                          >> back

Copyright:TIAN YU Eletronic Instrumentation Company          E-mail:  njtianyu@163.com